
Neste vídeo apresento um circuito eletrônico repelente de morcegos, ratos, etc. O circuito gera frequências que irritam ou atrapalham a comunicação dos animais que escutam e comunicam-se através dos sinais de áudio acima da frequência do ser humano.
O ser humano normalmente escuta entre 16 Hz e 16 kHz, frequências acima disso não são percebidas. O circuito proposto pode trabalhar com sinais amplificados e com frequência entre 11 e 65 Khz. Segundo estudos, para os ratos a frequência que incomoda está entre 13 e 20 Khz, já para os morcegos a frequência é maior, algo em torno de 16 a 25 Khz.
Apresentaremos a explicação completa do funcionamento do circuito, possibilitando sua montagem por qualquer pessoa que tenha conhecimentos básicos de eletrônica.
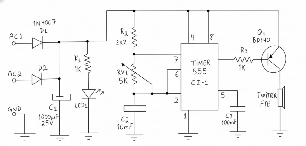
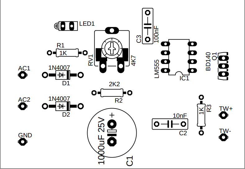
Esquema do circuito eletrônico repelente



Aula 01:
Aula 02:
Telredes Cursos
“Conhecimento para uma vida melhor”
Conheça os nossos cursos:
– Eletrônica – com foco no conserto de placas;
– Comandos Elétricos (Elétrica Industrial);
Escrito por:
Jair Maciel.


Boa noite
Esse circuito tem aparelho acompanhando? Como adquirir?
Tenho importunios com morcegos no meu quintal, pois tenho arvoredos, e eles se reúnem aqui para comer até frutas que não temos no quintal.
Outra coisa , gatos tb ouve, pq tenho gato dormindo no qui taltb, o meu gatinho.